Skip to content Skip to sidebar Skip to footer

Elementos De Un Diagrama De Bloques

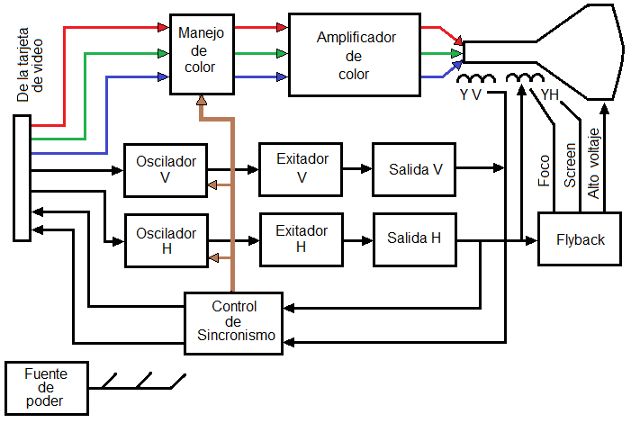
Elementos De Un Diagrama De Bloques. [13] en el siglo xviii d. Como pudo ser observado en el diagrama de bloque anterior, existen diferentes elementos que cumplen una determinada función dentro de un diagrama en bloques, por lo tanto inicialmente vamos a aprender a diferenciar cada uno de esos elementos de un diagrama bloques. Utiliza una simbología mucho más rica y variada que los diagramas anteriores, y no se restringe a líneas y columnas preestablecidos en el gráfico.

Octaedrus Cursos y Tutoriales en Español Enfoque
Octaedrus Cursos y Tutoriales en Español Enfoque from octaedrus.blogspot.com

Se conocieron numerosos nuevos elementos, los más importantes de los. Así podremos detectar cuáles son los momentos en que hay un cambio de manos de la responsabilidad y detectar posibles teléfonos descompuestos. A la hora de construir un diagrama de flujo de procesos lo más importante es incluir a todas las personas, sobre todo a la de los sectores involucrados. Es un diagrama de flujo que representa la rutina a través de una secuencia de bloques, cada cual con su significado y encadenados entre sí.

Así Podremos Detectar Cuáles Son Los Momentos En Que Hay Un Cambio De Manos De La Responsabilidad Y Detectar Posibles Teléfonos Descompuestos.


Como pudo ser observado en el diagrama de bloque anterior, existen diferentes elementos que cumplen una determinada función dentro de un diagrama en bloques, por lo tanto inicialmente vamos a aprender a diferenciar cada uno de esos elementos de un diagrama bloques. Diagrama de flujo de bloques: Existen dos características distintivas entre un control y un indicador en el diagrama de bloques. Trabajar en equipo para armar el diagrama.

Los Elementos Del Último Conjunto A La Derecha Lo Conforman Gases Nobles, Elementos Cuyo Elemento De Energía.


Aplicar un diagrama de ishikawa es muy fácil y barato, por eso es una de las técnicas de resolución de problemas preferidas de las empresas. Es un diagrama utilizado para indicar la manera en la que se elabora un producto, especificando la materia prima, la cantidad de procesos que se llevan a cabo y la forma en la que se representa el producto terminado. De este modo decimos que, los elementos de la primera familia o grupo poseen una configuración electrónica ns1 con una valencia de 1 (un solo electrón exterior), electrón que pierden al entrelazarse como un ion positivo de +1. Forma parte de ella también la inteligencia artificial, un campo.

Simbología Y Significado Formas Comunes


Es un diagrama de flujo que representa la rutina a través de una secuencia de bloques, cada cual con su significado y encadenados entre sí. [13] en el siglo xviii d. La lógica computacional crea sistemas de cómputo inteligentes. Se conocieron numerosos nuevos elementos, los más importantes de los.

Aunque Algunos Elementos Como El Oro (Au), Plata (Ag), Cobre (Cu), Plomo (Pb) Y Mercurio (Hg) Ya Eran Conocidos Desde La Antigüedad, El Primer Descubrimiento Científico De Un Elemento Ocurrió En El Siglo Xvii D.


Si bien existen algunas herramientas con las que puedes realizarlo, si se trata de una visualización rápida basta con el uso de una pluma y papel para representarlo. Note que las terminales del diagrama de bloques base (cm) y altura (cm) tienen una apariencia diferente de la terminal área (cm 2). Diagrama de bloques del área de un triángulo con vista de terminal de ícono. Los circuitos computacionales, la programación lógica, y la gestión de los algoritmos.

Post a Comment for "Elementos De Un Diagrama De Bloques"